Protected Information Technologies, Inc.

Multi-Room Audio
Multi-Room Video

We can put music and video throughout your home… bedroom, bath, kitchen, dining, patio, pool, etc. You can have your favorite music, news, movies and sports throughout without seeing all those components (black boxes).

We can create one master system with zones or create separate stand alone systems. Either way, you can watch or listen to what you want and others can watch or listen to something different in other parts of the house.

We can use flush in-wall (or in-ceiling) speakers that can be painted to match and virtually disappear. We can make your system easy to control in each room with in-wall volume controls, in-wall sensors or in-wall keypads like the one on the right (the size of a double light switch) in any or all rooms.

With control panels you can turn system on/off, switch between sources (CD, satellite music, radio, etc.), control all sources (play, pause, change tracks, change CDs, change radio stations, volume up/down, mute, etc.).

We can save money by sharing components (CD, VCR, DVD, satellite, etc.) so you won't have to buy duplicate components that clutter up rooms.

We can share and integrate systems so you can see who is at the front door or gate by switching to a channel on any TV to view that camera. You can then pick up your telephone and talk to them.

If you want to open the gate or door lock, just push a button on the phone.
We can also integrate shared high speed DSL Internet and a computer network to share files, printers, fax, software and more. Lighting and other systems can also be integrated (see Home Automation section).










Control in Each Room







            
            

We can install some amazing speakers like recording studios and theaters use at home system prices that you have to hear to believe the clarity.

Not only are the high end frequencies crystal clear the bass is clean and powerful.

Don't settle for run-of-the-mill speakers. Your speakers are the heart and soul of your home theater system.

See Multi-Room Audio/Video Products and Services below. Also see Integrated Systems for more information.

click on thumbnail for larger view

Outdoor

Outdoor







 

 

Products & Services:
   Design, Equipment, Wiring, Installation and Control

Separate Systems for each zone or
Multi-Zone Systems (so you can watch or listen to what you want and others can watch or listen to something different in other parts of the house or even outside)
Individual Control in each area with in-wall control panels, touch screens, volume controls or remotes
Share Components (DVD, VCR, Satellite, CD, Radio, etc.)
Create In-House Television Channels for video distribution of shared components (DVD, VCR, Satellite, etc.) on specific TV channel number(s)
See Cameras on any television by going to a specific TV channel number(s)
Multi-Room Amplifiers

In-Wall or In-Ceiling Speakers that virtually disappear
Have as many DSS Satellite Receivers as you want with just one dish
Integrate the Telephone System
Door and Gate Doorbell and Intercoms through the telephone system, so you can talk to who is at the door from anywhere in the house (more convenient and safer than going to the door)
Open Gate or Door Locks by pushing a button on any phone
Integrate your Computer, Network, the Internet and E-mail
Home Control and Automation
See Integrated Systems for more information.
 
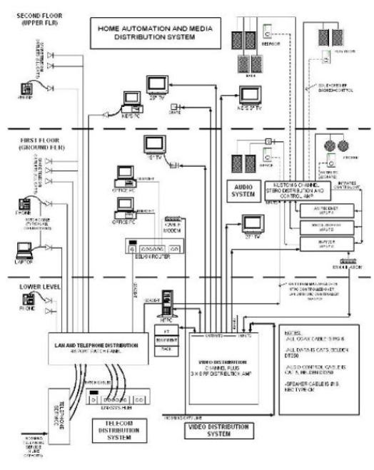
Example of a Shared Integrated Multi-Room System
Cable TV
Satellite TV
Satellite Music
FM Radio
CD
VCR
DVD
Outside Music
Telephone
Intercom
See Cameras on all TVs
Talk to Front Door/Gate over phone
High Speed DSL Internet
Share Printer and Fax
Share Data and Software
Audio/Video Control
Control in Each Room
Projector and Drop-Down Screen in Home Theater
Lighting Control
Drape Control
Heat and Air Control
Home Automation






See Integrated Systems section for more information  Go


Also see Audio/Video Systems, Audio/Video Installation
and Home Theater pages.



Return To Multi-Room Audio/Video Return to Audio/Video Systems

 


Other Related Services

 Audio/Video CabinetryAudio/Video InstallationAudio/Video Systems
Home Theater
Home AutomationComputers





HomeContact Us

Copyright © 2000 Jones Industries, Inc. All rights reserved.